+86-0523-83274900
Storz vergrendelde schroefdraadkoppeling
Thuis / Product / Standaard koppelingen / Bepaalde koppelingen / Storz vergrendelingskoppeling / Storz vergrendelde schroefdraadkoppeling

Storz vergrendelde schroefdraadkoppeling

De storz -vergrendelingsdraadkoppeling is van de STORZ -koppelingsserie, met één uiteinde met een interne of externe thread en het andere einde heeft een Storz vergrendelingskoppeling.
Deze koppeling wordt gebruikt Verbind vuurslangen en brandbestrijdingsapparatuur (zoals vuurpompen, vuurslangen en brandkranen).
Deze serie is voornamelijk verkrijgbaar in grote maten, terwijl kleinere maten op aanvraag kunnen worden aangepast.

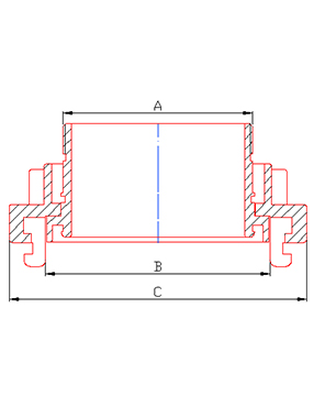
Afmetingen Bronnen

Item nr.

Din/mm

Dia

A/mm

B/mm

C/mm

/

100

4 "

M100*3

115

156

125

5 "

M125*3

148

196

150

6 "

M145*3

160

215

200

8 "

M200*4

220

280

250

10 "

M255*4

278

339

300 (3TEETH)

12 "

M290*4

316

384

350

14 "

M350*4

336

448

* Materialen en productieprocessen kunnen op verzoek worden aangepast.
* Andere vereisten (zoals werkdruk, burst -druk, etc.) kunnen ook worden aangepast als dat nodig is.

Jiangsu Jinding Fire Protection Technology Co., Ltd.
Jiangsu Jinding Fire Protection Technology Co., Ltd., gevestigd in Jiang Su Xinghua Economic Development Zone, werd opgericht in 1998. Het is een industrieel bedrijf dat ontwerp, ontwikkeling, productie en verkoop integreert. Het bedrijf heeft ISO9001: 2015 Kwaliteit System Certification en Product Vrijwillige certificering aangenomen en de bijbehorende producten hebben het inspectierapport verkregen van het National Fire Equipment Quality Supervision and Inspection Center.
Ons bedrijf produceert voornamelijk diverse productseries, waaronder brandbluskoppelingen, watersproeiers, brandkranen, buiskoppelingen met grote diameter en koppelingen voor watertoevoer in de olievelden. Deze producten worden veel gebruikt in de brandbeveiligings-, petroleum-, chemische, militaire en andere industrieën.
Het bedrijf heeft een goede onafhankelijke R & D -mogelijkheden en heeft een complete set productieprocessen zoals schimmelproductie, productieverwerking en producttesten. Tegelijkertijd hecht de onderneming het belang hechten aan de vereisten van klanten, waarbij de marktdynamiek tijdig wordt grijpt, zich continu ontwikkelt en nieuwe producten produceert en het vertrouwen en de lof van nieuwe en oude klanten wint.
Het bedrijf levert betrouwbare Storz vergrendelde schroefdraadkoppeling en professionele diensten die gebaseerd zijn op kwaliteitsverbintenissen en samenwerkingsverbanden, waarbij we streven naar het opbouwen van duurzame samenwerkingsrelaties met klanten.
27+

27 jaar industrie Productie -ervaring

Certificaten
Nieuws
Laten we een gesprek voeren
Zeg gewoon hallo en we beginnen een vruchtbare samenwerking. Begin je eigen succesverhaal.
Apparatuur nodig voor uw bedrijf?
Laat ons team u aangepaste oplossingen bieden.