+86-0523-83274900
Storz -adapterkoppelingen - flens
Thuis / Product / Adapters / Storz -adapterkoppelingen - flens

Storz -adapterkoppelingen - flens

Adapterkoppelingen worden gebruikt om verbinding te maken of te converteren tussen verschillende normen en soorten fittingen. Ze laten anders onverenigbare interfaces naadloos met elkaar op elkaar verbonden.

Adapterkoppelingen omvatten, maar zijn niet beperkt tot: Duits voor Storz (mannelijk/vrouwelijk), Duits tot bosbouw, Duits tot Duits zelfvergrendeling, Duits om te flens, Duits tot multi-tanden, storz mannelijk voor Storz-vrouw, Storz naar bosbouw, etc.
Alle soorten adapterkoppelingen kunnen op aanvraag worden aangepast.

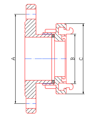
Afmetingen Bronnen

Item nr.

Din/mm

Dia

A/mm

B/mm

C/mm

/

80

3 "

160

89

126

Small100

4 "

180

115

156

Kleine 100 (Amerikaanse standaard)

4 "

190.5

115

156

Big 100

4 "

180

133

182

Big 100 (Amerikaanse standaard)

4 "

190.5

133

182

150

6 "

240

160

215

150 (Amerikaanse standaard)

6 "

241.3

160

215

200

8 "

295

220

280

200 (Amerikaanse standaard)

8 "

298.5

220

280

250

10 "

355

278

339

250 (Amerikaanse standaard)

10 "

362

278

339

300

12 "

410

316

384

300 (Amerikaanse standaard)

12 "

431.8

316

384

350

14 "

470

366

448

350 (Amerikaanse standaard)

14 "

476.3

366

448

* Materialen en productieprocessen kunnen op verzoek worden aangepast.
* Andere vereisten (zoals werkdruk, burst -druk, etc.) kunnen ook worden aangepast als dat nodig is.

Jiangsu Jinding Fire Protection Technology Co., Ltd.
Jiangsu Jinding Fire Protection Technology Co., Ltd., gevestigd in Jiang Su Xinghua Economic Development Zone, werd opgericht in 1998. Het is een industrieel bedrijf dat ontwerp, ontwikkeling, productie en verkoop integreert. Het bedrijf heeft ISO9001: 2015 Kwaliteit System Certification en Product Vrijwillige certificering aangenomen en de bijbehorende producten hebben het inspectierapport verkregen van het National Fire Equipment Quality Supervision and Inspection Center.
Ons bedrijf produceert voornamelijk diverse productseries, waaronder brandbluskoppelingen, watersproeiers, brandkranen, buiskoppelingen met grote diameter en koppelingen voor watertoevoer in de olievelden. Deze producten worden veel gebruikt in de brandbeveiligings-, petroleum-, chemische, militaire en andere industrieën.
Het bedrijf heeft een goede onafhankelijke R & D -mogelijkheden en heeft een complete set productieprocessen zoals schimmelproductie, productieverwerking en producttesten. Tegelijkertijd hecht de onderneming het belang hechten aan de vereisten van klanten, waarbij de marktdynamiek tijdig wordt grijpt, zich continu ontwikkelt en nieuwe producten produceert en het vertrouwen en de lof van nieuwe en oude klanten wint.
Het bedrijf levert betrouwbare Storz -adapterkoppelingen - flens en professionele diensten die gebaseerd zijn op kwaliteitsverbintenissen en samenwerkingsverbanden, waarbij we streven naar het opbouwen van duurzame samenwerkingsrelaties met klanten.
27+

27 jaar industrie Productie -ervaring

Certificaten
Nieuws
Laten we een gesprek voeren
Zeg gewoon hallo en we beginnen een vruchtbare samenwerking. Begin je eigen succesverhaal.
Apparatuur nodig voor uw bedrijf?
Laat ons team u aangepaste oplossingen bieden.